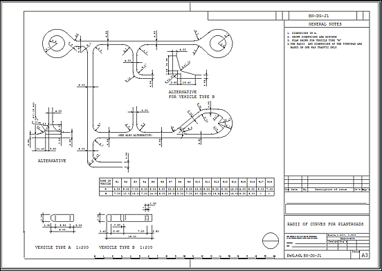
GENERAL NOTES
1. Dimensions in m.
2. Shown dimensions are minimum
3. Plan shown for vehicle type 'B'
4. The RADII and dimensions of the turnings are based on one way traffic only
1. Dimensions in m.
2. Shown dimensions are minimum
3. Plan shown for vehicle type 'B'
4. The RADII and dimensions of the turnings are based on one way traffic only